Releu monofazic protectie tensiune 40A

291,91 Lei
In stoc

Durata de livrare: 1-14 zile

Limita stoc
Adauga in cos
Cod Produs: C4354 Ai nevoie de ajutor? 0786441349
Adauga la Favorite Cere informatii
  • Descriere
  • Review-uri (0)
  • monofazic
  • setari digitale de modificare a parametrilor
  • afisajul valorii de tensiune curente
  • indicarea tensiunii dupa ultima oprire (in afara de VP 16A)
  • pornirea automata a curentului dupa normalizarea tensiunii
  • functia de resetare a parametrilor din fabrica
  • posibilitatea de calibrare a valorii voltmetrului
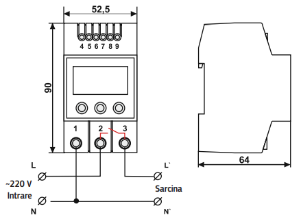
  • design-ul modular pentru montarea pe sina OMEGA (sina DIN 35mm)
  • curentul nominal in sarcina: 40A
  • curentul maxim in sarcină: 50A
  • tensiunea masurata: 50-400 V
  • timpul de oprire la limita superiora: 0,02 sec.
  • timpul de oprire la limita inferioara: 1(120-170V), 0,02(<120V) sec. nu mai mult
  • limita inferioara de oprire a tensiunii (programabila): 120-200 (170*) V
  • limita superiora de oprire a tensiunii (programabila): 210-270 (250*) V
  • timpul de intarziere al pornirii (programabil): 5-600(15*) sec.
  • eroare voltmetru: 1%
Informatii conformitate produs
Daca doresti sa iti exprimi parerea despre acest produs poti adauga un review.

Review-ul a fost trimis cu succes.

Suport clienti Luni – Vineri: 9:00 – 17:00

0786441349 vanzari@gavros.ro

Compara produse

Trebuie sa mai adaugi cel putin un produs pentru a compara produse.

A fost adaugat la favorite!

A fost sters din favorite!